Мы используем cookie для наилучшего представления нашего сайта. Подробнее об этом в Политике конфиденциальности.
Ок

Жуковский

Ваш город:
Жуковский (Московская область)?
Нет
Да
Каталог
Каталог Написать в WhatsApp
Мотоэкипировка

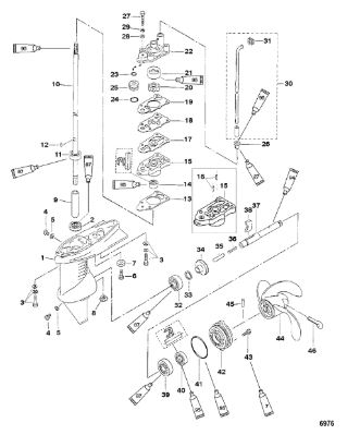
Корпус редуктора в сборе (3,3 л.с.) 2-Х ТАКТНОГО ПЛМ MERCURY ME 2,5M Серийный номер от 0P017000 до 0P400999

Корпус редуктора в сборе (3,3 л.с.) 2-Х ТАКТНОГО ПЛМ MERCURY ME 2,5M Серийный номер от 0P017000 до 0P400999 в Москве: актуальный каталог, цены, фото, описание. Купите корпус редуктора в сборе (3,3 л.с.) 2-х тактного плм mercury me 2,5m серийный номер от 0p017000 до 0p400999 в кредит – оформите заявку онлайн за 1 минуту!

Оригинальные запчасти

Артикул НАИМЕНОВАНИЕ Кол-во деталей в узле Примечание Наличие Цена Аналоги Фото
1 825126T05 GEAR HOUSING LONG

Под заказ

N/A

Под заказ

уточнить

Купить
2 825126T04 GEAR HOUSING SHOR

Под заказ

N/A

Под заказ

уточнить

Купить
3 8M0082881 Набор прокладок (GASKET SET-L/U)

Под заказ

N/A

Под заказ

уточнить

Купить
4 8M0080264 Ремнабор помпы 3,3 (REPAIR KIT-W/P)

Под заказ

N/A

Под заказ

уточнить

Купить
5 825126T06 GEAR HSG. BA-BLK

Под заказ

N/A

Под заказ

уточнить

Купить
6 82304232 BOLT (3.3 HP)

Под заказ

N/A

Под заказ

уточнить

Купить
7 953683 Заглушка (PLUG-OIL)

Под заказ

N/A

Под заказ

уточнить

Купить
8 8M0082880 Прокладка (GASKET @3)

Под заказ

N/A

Под заказ

уточнить

Купить
9 16832 Болт M6x16 (BOLT)

Под заказ

N/A

Под заказ

уточнить

Купить
10 823913Q Анод (ANODE)

Под заказ

N/A

Под заказ

уточнить

Купить
11 16138 Шестерня (GEAR)

Под заказ

N/A

Под заказ

уточнить

Купить
12 8104711 Шайба (SPACER)

Под заказ

N/A

Под заказ

уточнить

Купить
13 8M0116958 Приводной вал (DRIVESHAFT)

Под заказ

N/A

Под заказ

уточнить

Купить
14 95342 Подшипник (BEARING-BALL)

Под заказ

N/A

Под заказ

уточнить

Купить
15 16155 Шпонка (KEY)

Под заказ

N/A

Под заказ

уточнить

Купить
16 898101333 Прокладка (GASKET, Water Pump Housing - Lower)

Под заказ

N/A

Под заказ

уточнить

Купить
17 161621 Сальник (SEAL-OIL)

Под заказ

N/A

Под заказ

уточнить

Купить
18 9521811 Шпонка основания водяной помпы (PIN-ROLL)

Под заказ

N/A

Под заказ

уточнить

Купить
19 161603 Прокладка (GASKET)

Под заказ

N/A

Под заказ

уточнить

Купить
20 161591 Зеркало помпы

Под заказ

N/A

Под заказ

уточнить

Купить
21 898101331 Прокладка (GASKET)

Под заказ

N/A

Под заказ

уточнить

Купить
22 161543 Крыльчатка водяного насоса (IMPELLER) от 3,3 л.с. до 6 л.с. 2-х тактные и 4-х тактные моторы

Под заказ

N/A

Под заказ

уточнить

1 990

Купить
23 161571 Корпус крыльчатки (LINER)

Под заказ

N/A

Под заказ

уточнить

Купить
24 161561 Крышка водяной помпы (WATER PUMP HSG)

Под заказ

N/A

Под заказ

уточнить

Купить
25 161771 Уплотнительное кольцо (O RING)

Под заказ

N/A

Под заказ

уточнить

Купить
26 161781 Уплотнительное кольцо (O RING)

Под заказ

N/A

Под заказ

уточнить

Купить
27 161761 Втулка резиновая (BUSHING)

Под заказ

N/A

Под заказ

уточнить

Купить
28 953611 Уплотнительная втулка (GROMMET)

Под заказ

N/A

Под заказ

уточнить

Купить
29 16826 Шайба (WASHER@10)

Под заказ

N/A

Под заказ

уточнить

Купить
30 953592 WATER TUBE

Под заказ

N/A

Под заказ

уточнить

Купить
31 953591 Водная трубка (WATER TUBE)

Под заказ

N/A

Под заказ

уточнить

Купить
32 953601 Втулка верхняя трубки охлаждения (GROMMET, Upper)

Под заказ

N/A

Под заказ

уточнить

Купить
33 16128 Шариковый подшипник (BEARING-BALL)

Под заказ

N/A

Под заказ

уточнить

Купить
34 16141 Регулировочное кольцо (SHIM)

Под заказ

N/A

Под заказ

уточнить

Купить
35 813277 Регулировочное кольцо (SHIM)

Под заказ

N/A

Под заказ

уточнить

Купить
36 812944 Шестерня (GEAR)

Под заказ

N/A

Под заказ

уточнить

Купить
37 823050 Толкатель (PUSH ROD)

Под заказ

N/A

Под заказ

уточнить

Купить
38 176671 SPRING

Под заказ

N/A

Под заказ

уточнить

Купить
39 952911 Гребной вал (PROP SHAFT)

Под заказ

N/A

Под заказ

уточнить

Купить
40 823049 Муфта включения передачи (CLUTCH)

Под заказ

N/A

Под заказ

уточнить

Купить
41 95344 Шариковый подшипник (BEARING-BALL )

Под заказ

N/A

Под заказ

уточнить

Купить
42 95348 Сальник (SEAL-OIL)

Под заказ

N/A

Под заказ

уточнить

Купить
43 16131 Резиновое кольцо (O RING)

Под заказ

N/A

Под заказ

уточнить

Купить
44 825116 Корпус подшипника (HOUSING)

Под заказ

N/A

Под заказ

уточнить

Купить
45 167051 Болт (BOLT)

Под заказ

N/A

Под заказ

уточнить

Купить
46 815084A02 Винт гребной (BLMX 7 3/8R7) 3.3 л.с. станд.

Под заказ

N/A

Под заказ

уточнить

Купить
47 815083A02 Винт гребной (BLKMAX 7.38X7 RH)для моторов мощностью 3,3 л.с. (2-х т) и 3,5 л.с. (4-х т)диаметр 7.37

Под заказ

N/A

Под заказ

уточнить

2 950

Купить
48 815111Q02 Шпонка (SHEAR PIN KT@2 )

Под заказ

N/A

Под заказ

уточнить

Купить
49 95295 Шплинт (PIN-COTTER @5)

Под заказ

N/A

Под заказ

уточнить

Купить

Нулевая цена не означает отсутствие товара. Оформите заказ, и менеджер сообщит вам цену и наличие товара, предварительно запросив их у поставщика

Главная Магазины
Корзина0
Профиль